Water Quality Monitoring System : Water quality monitors help you check on water quality.

Water Quality Monitoring System : Water quality monitors help you check on water quality.. High turbidity indicates the presence of particles, and is a sign that. Results for water quality monitoring software from sems, flowworks, kisters and other leading brands for monitoring and testing. Online water quality analysis and centralised monitoring system for water/wastewater treatment units. Water quality refers to the chemical, physical, and biological characteristics of water based on the standards of its usage. Gems/water supports the sustainable development goal for water (sdg 6) with methodology support, data management.

Iot enables automatic detection of water quality parameters. Learn how to balance your system through water quality monitoring. Proc of 49th irf int conf, 21 feb 2016. This article describes the wireless water quality monitoring system using analog devices' aducm355 and smartmesh ip technology. An advanced data acquisition and software solution for centralised monitoring and accurate water quality analytics.

Major Water Quality Monitoring Systems Ppt Powerpoint Gallery Styles Presentation Graphics Presentation Powerpoint Example Slide Templates
Major Water Quality Monitoring Systems Ppt Powerpoint Gallery Styles Presentation Graphics Presentation Powerpoint Example Slide Templates from www.slideteam.net
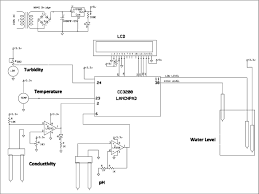
Turbidity sensors placed inside your pipes measure the clarity of your water (whether it's murky or opaque) using beams of light. .how to monitor the quality of water, interns of monitoring the level of water, the temperature of the water and its surrounding, the turbidity of the water so this system monitors all of these aspect and finally when all check have been completed, its sends the information or data as an sms to notify the. Sensors monitoring water quality and pressure throughout the va hospital system. It is a reliable analytical system developed for optimization of water quality. Aquapro online water quality monitoring transmitters. Monitoring and maintaining water quality is a primary task for different industries. To design the proposed water quality monitoring system for this study, the sensors used and the system design is discussed in this section. Surface and ground water quality monitoring data collected from the global gems/water monitoring network is shared through the gemstat information system.

This article describes the wireless water quality monitoring system using analog devices' aducm355 and smartmesh ip technology.

Iq sensor net measuring systems. The conventional monitoring systems are inadequate when used to detect contaminants/pollutants in real time and cannot meet the stringent. Gems/water supports the sustainable development goal for water (sdg 6) with methodology support, data management. Smart water quality monitoring system using iot are hence required to automatically monitor various parameters that determine the quality of water. Aquapro online water quality monitoring transmitters. Water quality monitors help you check on water quality. Sensors monitoring water quality and pressure throughout the va hospital system. .how to monitor the quality of water, interns of monitoring the level of water, the temperature of the water and its surrounding, the turbidity of the water so this system monitors all of these aspect and finally when all check have been completed, its sends the information or data as an sms to notify the. The demonstration illustrates a highly reliable wireless monitoring system and connectivity to cloud. Results for water quality monitoring software from sems, flowworks, kisters and other leading brands for monitoring and testing. An iot water quality monitoring system keeps you informed about your building's water quality at all times. It is most frequently used by reference to a set of standards against which compliance. Learn how to balance your system through water quality monitoring.

You can submit your data to wqx with the click of a button or automatically. Proc of 49th irf int conf, 21 feb 2016. An automated water quality monitoring system would ease the job of finding the pollution source! To design the proposed water quality monitoring system for this study, the sensors used and the system design is discussed in this section. (redirected from water quality monitoring).

Major Water Quality Monitoring Systems Coastal Ppt Powerpoint Presentation Gallery Images Presentation Graphics Presentation Powerpoint Example Slide Templates
Major Water Quality Monitoring Systems Coastal Ppt Powerpoint Presentation Gallery Images Presentation Graphics Presentation Powerpoint Example Slide Templates from www.slideteam.net
Hii, i want to choose this water quality monitoring system as my project domain for iot. Water quality monitors help you check on water quality. .how to monitor the quality of water, interns of monitoring the level of water, the temperature of the water and its surrounding, the turbidity of the water so this system monitors all of these aspect and finally when all check have been completed, its sends the information or data as an sms to notify the. Ysi integrated systems and services goes beyond equipment sales to providing you with complete solutions including installation. Smart water quality monitoring system using iot are hence required to automatically monitor various parameters that determine the quality of water. Water quality monitoring (wqm) systems seek to ensure high data precision, data accuracy, timely reporting, easy accessibility of data, and completeness. It is most frequently used by reference to a set of standards against which compliance. The software allows to generate a complete overview of the water quality of.

The water quality monitoring and assessment section of the iowa department of natural resources (idnr) is responsible for the design, implementation and management of iowa's ambient water monitoring programs.

In smart water quality systems, zigbee protocol is used for communication between sensor nodes and the controller when the sensors are placed in remote location away from bhatt jayti, jignesh patoliya (2016), iot based water quality monitoring system, in: Proc of 49th irf int conf, 21 feb 2016. Water quality monitoring system is a set of fully integrated system comprising hardware units and programs that are used to monitor multiple water quality parameters. A ph monitor will measure water's ph while a tds monitor will check tds. Iot enables automatic detection of water quality parameters. Water quality monitoring outside the laboratory aims to obtain qualitative information on the physical, chemical, and biological characteristics of a water body. Sensors monitoring water quality and pressure throughout the va hospital system. An iot water quality monitoring system keeps you informed about your building's water quality at all times. An automated water quality monitoring system would ease the job of finding the pollution source! The water quality monitoring and assessment section of the iowa department of natural resources (idnr) is responsible for the design, implementation and management of iowa's ambient water monitoring programs. Aquapro online water quality monitoring transmitters. This video is all about hoe to monitor the quality of water, interns of monitoring the level of water, the temperature of the water and its surrounding, the. Water monitoring for a consistently high water quality with online analysis system type 8905.

Gems/water supports the sustainable development goal for water (sdg 6) with methodology support, data management. The software allows to generate a complete overview of the water quality of. An iot water quality monitoring system keeps you informed about your building's water quality at all times. Hii, i want to choose this water quality monitoring system as my project domain for iot. The purpose of these programs is to provide consistent.

Global Water Quality Monitoring Equipment Market To Increase By 1 74 Billion During 2020 2024 33 Growth To Originate From Apac Technavio Business Wire
Global Water Quality Monitoring Equipment Market To Increase By 1 74 Billion During 2020 2024 33 Growth To Originate From Apac Technavio Business Wire from mms.businesswire.com
Iq sensor net measuring systems. No matter your needs, we've got your water quality monitoring system needs covered. My university course requires the students to build a system to solve community problems. You can submit your data to wqx with the click of a button or automatically. A ph monitor will measure water's ph while a tds monitor will check tds. 62 results refine your results. The purpose of these programs is to provide consistent. An iot water quality monitoring system keeps you informed about your building's water quality at all times.

The purpose of these programs is to provide consistent.

No matter your needs, we've got your water quality monitoring system needs covered. The water quality monitoring and assessment section of the iowa department of natural resources (idnr) is responsible for the design, implementation and management of iowa's ambient water monitoring programs. (redirected from water quality monitoring). An advanced data acquisition and software solution for centralised monitoring and accurate water quality analytics. Water quality monitors help you check on water quality. Aquapro online water quality monitoring transmitters. By understanding water quality in premise plumbing systems, we can prevent the deterioration of water quality and subsequent conditions that are favorable for bacterial growth through better engineering. Find this and other hardware projects on hackster.io. Once your data is in awqms, it is compatible with the epa's water quality exchange (wqx). Turbidity sensors placed inside your pipes measure the clarity of your water (whether it's murky or opaque) using beams of light. Hii, i want to choose this water quality monitoring system as my project domain for iot. Gems/water supports the sustainable development goal for water (sdg 6) with methodology support, data management. Proc of 49th irf int conf, 21 feb 2016.

Related : Water Quality Monitoring System : Water quality monitors help you check on water quality..